Skocz do zawartości

Rekomendowane odpowiedzi

Wybrane dla Ciebie
Opublikowano (edytowane)

Panel to mozesz sobie dac gdzie tylko chcesz, bo od niego ciagniesz przewod 6x 0,75mm2 do przekaźnikow

Edytowane przez wini
Opublikowano
3 godziny temu, soltys48 napisał:

Tomek jest z tych szczęśliwych....

Punkt widzenia zależy od punktu .... Nie szukałem. Sama wyskoczyła na główną jak tamta poprzednia. Potem już z ciekawości sprawdziłem czy jest tego więcej. Nie mój typ. 

Opublikowano (edytowane)
3 godziny temu, wini napisał:

Panel to mozesz sobie dac gdzie tylko chcesz, bo od niego ciagniesz przewod 6x 0,75mm2 do przekaźnikow

 

2 godziny temu, kopin napisał:

ja sie tam nie znam na elektryce,ale kabel 6x75 mm to chyba raczej gdzieś w elektrowni idzie  😉

 

2 godziny temu, bratrolnika napisał:

to chyba między akumulatorem a rozrusznikiem masz 50mm2

A na poważnie - 1.5 taki jak wrzucałem styknie rozumiem? 

Powiedzcie przekaźnik obojętnie jaki? Tzn czy za 5zl czy za 8 jeden uj? 

https://allegro.pl/oferta/przekaznik-malogabarytowy-541-12v-z-blaszka-7309567477?bi_s=ads&bi_m=showitem%3Aactive&bi_c=ZDIyZDU1YzYtMjIxZC00NWVjLWE2OWEtMDUyZDEzNWMzNzMzAA&bi_t=ape&referrer=proxy&emission_unit_id=e91eb655-9ac8-459e-abd4-b62fb1ea7234

Czy jak i tak drobne to kosztuje w zasadzie, to wziąć elmoty 

https://www.skuteryczesci.pl/przekaznik-malogabarytowy-elmot-typ-541-12v-30a.html

Będą 3 pary lamp. Para pod włącznik. 2 x 24, 2 x 27 i 2 x 48. Pod każdy warto przekaznik, czy tylko pod te najmocniejsze? 

Potem 

6325100600_1396558753.jpg

Na włączniki doprowadzam  prąd, potem z nich mogę jednym przewodem parozylowym pociągnąć do przekaznikow i z nich jednozylowymi do świateł? 

Masa dla przekaźnika, masa dla świateł i wsio? 

1. Tu gdzie na schemacie jest aku można wziąć prąd z jakiegoś innego "miejsca"? Tzn z jakiegoś wolnego przewodu?

2. Na włącznik prąd obojętnie skąd ukraść?

3.  Przewody od przekaźnika 1.5 starcza? Jak tak,  to jakie od aku do przekaźnika i od włącznikami do przekaźnika?

4. Bezpieczniki dać i przed przekaznikiem i za? Bo różnie na internetach widziałem pisali. 

Niby elektryk to będzie robił, ale może i ja przy okazji się podszkole 

Do takich lampek 

58caeff546b990d1dcab6ecb9269

Ida żarówki  takie zwykle

https://allegro.pl/oferta/ring-12v-5w-c5w-zarowka-pomocnicza-rurka-36mm-r239-7601251575

Na oprawce jest c11 5w

Edytowane przez daron64
Opublikowano (edytowane)

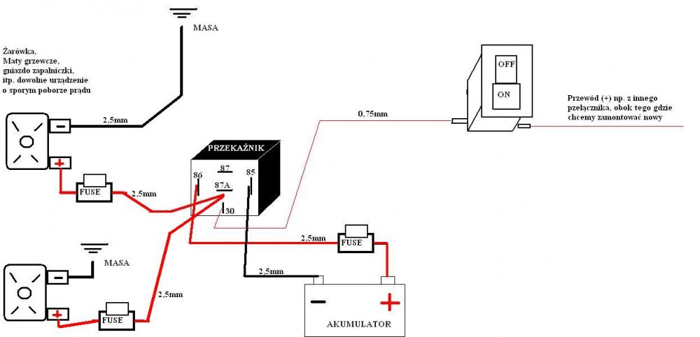
https://www.google.com/search?q=schemat+przekaźnika+samochodowego&tbm=isch&source=iu&ictx=1&fir=xQUf3lENTF7GiM%3A%2CPzkQ8HIr7kWypM%2C_&usg=AI4_-kTqyInrnu_IQLPyht3S19ENqvXkFg&sa=X&ved=2ahUKEwiw8LjPhbbgAhXCIVAKHfXTCWcQ9QEwAHoECAAQBA#imgrc=-f-hsmXW2WDl-M: twoj schemat jest źle zrobiony, tak to powinno byc. Napisze Ci jak ja to zrobiłem. Zaczałem z alternatora przewodem 6mm2 do głownego bezpiecznika https://allegro.pl/oprawa-obudowa-gniazdo-bezpiecznik-midival-mta-i5077158317.html? z tego 2x 4mm2 do skrzynki bezpieczników, i z  kazdego bezpiecznika  do lampy pierwszej 2,5 mm2, a w niej połaczenie do drugiej 1,5 mm2 i oczywiscie po drodze za bezpiecznikami mam jescze na kazdy obwód przekaznik

schemat.png

Edytowane przez wini
  • Like 1
Opublikowano (edytowane)
1 godzinę temu, daron64 napisał:

 

 

A na poważnie - 1.5 taki jak wrzucałem styknie rozumiem? 

Powiedzcie przekaźnik obojętnie jaki? Tzn czy za 5zl czy za 8 jeden uj? 

https://allegro.pl/oferta/przekaznik-malogabarytowy-541-12v-z-blaszka-7309567477?bi_s=ads&bi_m=showitem%3Aactive&bi_c=ZDIyZDU1YzYtMjIxZC00NWVjLWE2OWEtMDUyZDEzNWMzNzMzAA&bi_t=ape&referrer=proxy&emission_unit_id=e91eb655-9ac8-459e-abd4-b62fb1ea7234

Czy jak i tak drobne to kosztuje w zasadzie, to wziąć elmoty 

https://www.skuteryczesci.pl/przekaznik-malogabarytowy-elmot-typ-541-12v-30a.html

Będą 3 pary lamp. Para pod włącznik. 2 x 24, 2 x 27 i 2 x 48. Pod każdy warto przekaznik, czy tylko pod te najmocniejsze? 

Potem 

6325100600_1396558753.jpg

Na włączniki doprowadzam  prąd, potem z nich mogę jednym przewodem parozylowym pociągnąć do przekaznikow i z nich jednozylowymi do świateł? 

Masa dla przekaźnika, masa dla świateł i wsio? 

1. Tu gdzie na schemacie jest aku można wziąć prąd z jakiegoś innego "miejsca"? Tzn z jakiegoś wolnego przewodu?

2. Na włącznik prąd obojętnie skąd ukraść?

3.  Przewody od przekaźnika 1.5 starcza? Jak tak,  to jakie od aku do przekaźnika i od włącznikami do przekaźnika?

4. Bezpieczniki dać i przed przekaznikiem i za? Bo różnie na internetach widziałem pisali. 

Niby elektryk to będzie robił, ale może i ja przy okazji się podszkole 

Do takich lampek 

58caeff546b990d1dcab6ecb9269

Ida żarówki  takie zwykle

https://allegro.pl/oferta/ring-12v-5w-c5w-zarowka-pomocnicza-rurka-36mm-r239-7601251575

Na oprawce jest c11 5w

schemat masz zły, na styk 86 powinien iść przewód z włącznika, a na 30 główne zasilanie z akumulatora

resztę zrobiłbym tak jak opisał kolega @wini, prąd możesz złapać z alternatora, rozrusznika, akumulatora, gdzie ci blisko i wygodnie

Edytowane przez bratrolnika
Opublikowano
1 godzinę temu, Thomas2135 napisał:

Na forum w dziale elektryka są tematy podłączenia lamp.  @asharot 

Uwaga są różne długości, ale w każdym sklepie kupisz.

Wiem, że są. Większość przeczytałem, po prostu leniwy jestem i nie chciałem tam długo czekać na odp :) także przepraszam i dziękuję. 

 

A co do żarówek to nie wiedziałem nawet, że sa różnej długości. Choć może faktycznie-jak kupowałem do podświetlenia tablicy takie, to były różne. 

A co do schematu, to kradziony z elektrody. Wziąłem taki, który przejrzyście wyglądał, a na numery nie zwróciłem uwagi(choć też parę tematów przeczytałem, gdzie było opisane co gdzie idzie). 

@Thomas2135 schemat z podłączeniem pod stacyjka też t a m chyba widzialem. 

 

Ok jeszcze raz dzięki @wszyscy  i uderze sobie na priv. 

 

Opublikowano

Drogo/tanio/polecasz/niepolecasz/twoj/sasiada/randomowo wrzuciles ogłoszenie? 

 

Jak widzę takie ceny, to zawsze sobie przelicza co mógłbym w swoim zrobić, żeby dojść do takiej wartosci

Opublikowano

Jeszcze, wrócę do świateł, ale do znalezionych też pasuje :) patrzyłem na przekaźniki i np elmot można znaleźć od 7 zł do 15. Aż taki rozrzut, czy coś tak taniego mogą podrabiac? Coś nie doczytalem? Czy z czego aż taka różnica może wynikać?

https://motor-x.pl/przekaznik-malogabarytowy-elmot-typ-541-12v-30a-2,p.html

https://www.skuteryczesci.pl/przekaznik-malogabarytowy-elmot-typ-541-12v-30a.html

http://motoczescikapka.pl/mobile/pl/p/Przekaznik-541-Elmot/2968

http://www.eter-mot.com/default.asp?kat=43756&pro=287306

Opublikowano

Siedzę z chora córka w domu. Do piątku nie mam jak się gdzieś ruszyć, także chciałem na necie wszystko sobie pozamawiac przez ten czas :)

Druga sprawa - gdzie kupujecie przewody? Jak szukam samochodowych, to większość o bardzo małym przekroju. W niektórych sklepach na necie widzę tylko do 2.5 max

Opublikowano
daron64 napisał:

Siedzę z chora córka w domu. Do piątku nie mam jak się gdzieś ruszyć, także chciałem na necie wszystko sobie pozamawiac przez ten czas :)

Druga sprawa - gdzie kupujecie przewody? Jak szukam samochodowych, to większość o bardzo małym przekroju. W niektórych sklepach na necie widzę tylko do 2.5 max

jedz do marketu budowlanego typu castorama leroy i kupisz przekroj jaki tylko zechcesz.

  • Like 1
Opublikowano (edytowane)
21 minut temu, daron64 napisał:

Siedzę z chora córka w domu. Do piątku nie mam jak się gdzieś ruszyć, także chciałem na necie wszystko sobie pozamawiac przez ten czas :)

Druga sprawa - gdzie kupujecie przewody? Jak szukam samochodowych, to większość o bardzo małym przekroju. W niektórych sklepach na necie widzę tylko do 2.5 max

Jak nie będziesz mógł znaleźć pojedynczych żył to kup np. OMY 3x2,5 i z niego wydlub poszczególne żyły. Jak chcesz to przedzwonie jutro do znajomków na złom i zapytam o przekaźniki, chcesz?

Edytowane przez bratrolnika
Opublikowano
18 minut temu, stempos1980 napisał:

Życzenia Zdrówka dla córy. 

Podziękował :)

13 minut temu, Bananek napisał:

jedz do marketu budowlanego typu castorama leroy i kupisz przekroj jaki tylko zechcesz.

Właśnie jak jestem uziemieniem, to chciałem to wszystko pozamawiac, żeby potem się już nie kręcić po szrotach/sklepach 

4 minuty temu, bratrolnika napisał:

Jak nie będziesz mógł znaleźć pojedynczych żył to kup np. OMY 3x2,5 i z niego wydlub poszczególne żyły. Jak chcesz to przedzwonie jutro do znajomków na złom i zapytam o przekaźniki, chcesz?

Do 2.5 jeszcze są, ale już większych ciężko.  Jak tak na szybko szukam, to na allegro np jeden koleś ma tylko 6. Swoją drogą pisze, że przewód 6, a w opisie że średnica z izolacja 5.5.. 

A co do złomu to jakby mogli wysłać, to jakieś dobre pewnie ze bym wziął :)

Gość
Ten temat został zamknięty. Brak możliwości dodania odpowiedzi.
  • Podobna zawartość

    • Przez magik503
      Hej
      Chciałbym poznać waszą opinie na temat tego samochodu: http://szukaj.pl.mobile.eu/pojazdy/showDetails.html?id=152997173
      Potrzebuję kupić jakiś samochód do jeżdżenia na uczelnie , mam troszkę daleko o pociągi nie jeżdżą już tak jaki kiedyś..
      Jakie są wasze opinie na temat tego Opla?
    • Przez Marcin821010
      Witam wszystkich,
      Mam pytanie gdzie w przyczepie Autosan D50 z 1990 r.  znajduje się tabliczka znamionowa i numery ramy
    • Przez Gremorg
      Witam, mam pytanie dotyczące obsługi, a konkretnie do czego służą te 3 przyciski w ładowarce Manitou MT 1740 SLT.
      Nie mam do niej instrukcji obsługi, a podczas pracy ciężko zaobserwować aby coś znacznie się zmieniało.
      Dzięki za pomoc i pozdrawiam !


    • Przez Paweł8484
      Witam, Mam problem z ładowarką teleskopową manitou mt1135 rozrusznik kręci ale maszyna nie chce odpalić tak jak by była jakaś blokada. Wyświetla się czerwony trójkąt z wykrzyknikiem. Może ktoś coś wie coś na ten temat

    • Przez Filip98
      Witam serdecznie,  poszukuje kompletną kabinę do kramera 612slx,  czy wiecie może gdzie udało by mi się kupić? Pozdrawiam serdecznie 
×
×
  • Dodaj nową pozycję...
v