MTZ 82 Czujnik Paliwa / Instalacja
Sprawdź MTZ 82 Czujnik Paliwa / Instalacja na AgroTesty.pl
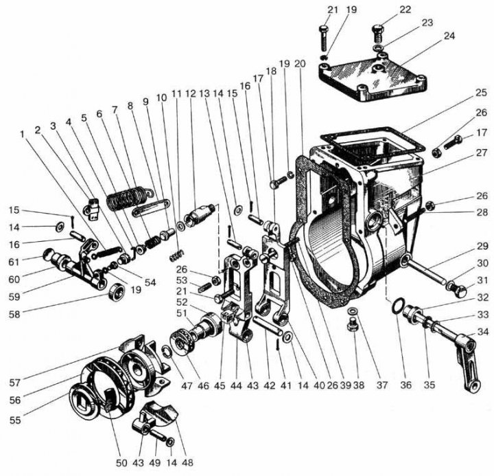
Belarus 82 Dane techniczne
-
Podobna zawartość
-
Przez fortschritt323
witam mam broblem z instalacją w fortschritt zt 323 a dokładnie z deską rozdzielczą czy mógłby ktoś mi wysłać kolor kabla zasilającego deskę rozdzielczą i zdięcie gdzie on wchodzi
-
Przez Theprzemo205
Witam i z góry dzieki za odpowiedz. A więc najprawdopodobnej pojawi się na gospodarstwie belarus 82. Chciałbym aby ten ciagnik ciągal prase belujaca tylko on ma jedno stopniowe sprzęgło więc jak prasować kości trawe itp. Może ktoś mi wytlumaczy ? -
Przez dziki97
Witam potrzebuję zrobić w miarę dokładny prędkościomierz do swojego ruska, potrzebny będzie do oprysków i siania nawozów. Zastanawiam się na prędkościomierzem GPS, mógł bym używać go także w Fortschricie 323. Posiada ktoś z was takie urządzenie i jak to się sprawuje???? do tej pory używałem telefonu z jakąś tam apka ale to denerwujące.
-
Przez Scappy
Cześć . Zbliża mi się wymiana głowicy ,bo przepuszcza ona olej do komory spalania . Obecna była już na szlifie i Pan powiedział że następna regeneracja musi być już konkretna,bo zawory głęboko siedzą i może się to nie zamknąć w 900 zł . Myślę że lepszą opcją będzie kupno nowej głowicy i jest kilka ofert na rynku . Co polecacie żeby nie wpaść w niepotrzebne koszty ? Czeka mnie też wymiana pierścieni,może i też tłoków ale to zobaczymy .
Pozdrawiam
-

Rekomendowane odpowiedzi
Regeneracja pompy wtryskowej
Czujnik strat ziarna
Jeśli chcesz dodać odpowiedź, zaloguj się lub zarejestruj nowe konto
Jedynie zarejestrowani użytkownicy mogą komentować zawartość tej strony.
Zarejestruj nowe konto
Załóż nowe konto. To bardzo proste!
Zarejestruj sięZaloguj się
Posiadasz już konto? Zaloguj się poniżej.
Zaloguj się