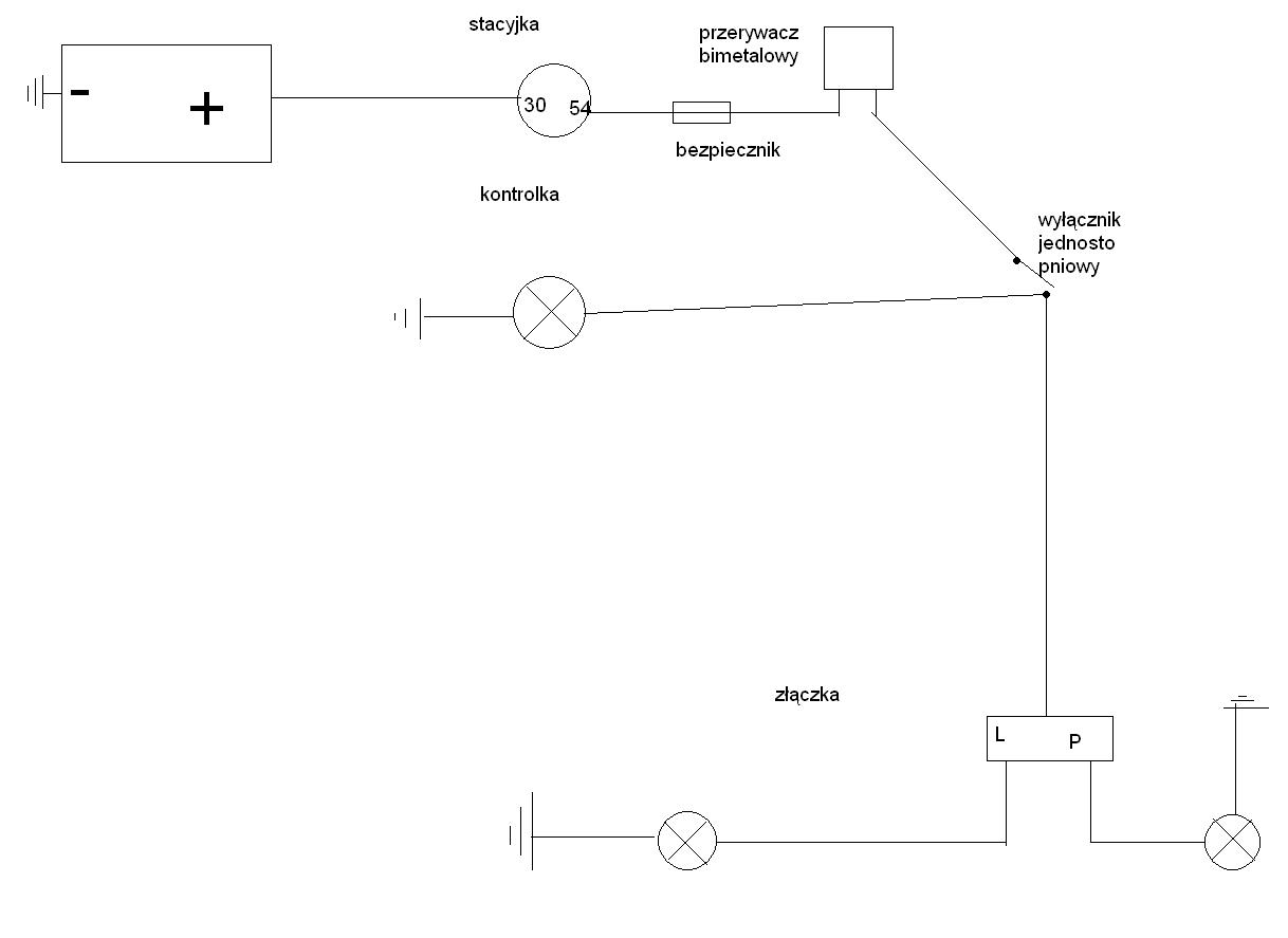
Problemy ze światłami w C-360
-
Podobna zawartość
-
Przez ROLNIK7
Tak jak w tytule, chciałbym usłyszeć opinie na ich temat. Są one zamiennikami Magnetona, a produkuje je jakaś litewska firma. Pojawiły sie one niedawno na Allego, a ich cena jest kusząca ponieważ taki rozrusznik kosztuje w granicach 350zł, jak wiadomo nowego Magnetona za taką kasę sie nie kupi. Piszcie co o tym myślicie!
-
Przez nec
Witam zakupiłem swiatla bezprzewodowe led do ciagnika c330 i mam problem bo nie działają w przeczepce z samochodem nue ma problemu a gdy wpinam co c330 to nic nie działa gdzie może być przyczyną dodam że jak przyxzepke podepnę do ciagnika to wszystkie swiatla w przyczepce działają.
-
Przez Damianek00
Mam ursusa c360 i alternator elmot 2pin od ładowania i wzburzenia 9diodowy.I mam regulator napięcia 15RAa jak mam podłączyć przewody żółty i zielony do alternatora i do kontrolki.. Mam obecnie podłączony regulator z zetora na 4pin ale on ładuje ponad 17v
-
Przez Kacgier
Witam, mam problem z komputerem od rozsiewacza vicon rs-edw otóż niedziała mi wysuw silownikow elektrycznych od zasuw co moze byc przyczyną? Prosze o pomoc
-

Rekomendowane odpowiedzi
claas Mega 360 czy lexion 520/510
Zetor 7711 & Ursus C-360
Jeśli chcesz dodać odpowiedź, zaloguj się lub zarejestruj nowe konto
Jedynie zarejestrowani użytkownicy mogą komentować zawartość tej strony.
Zarejestruj nowe konto
Załóż nowe konto. To bardzo proste!
Zarejestruj sięZaloguj się
Posiadasz już konto? Zaloguj się poniżej.
Zaloguj się