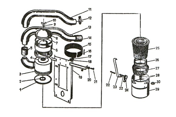
C360 filtr powietrza
-
Podobna zawartość
-
Przez adasko987
co zrobić żeby nie grzała się 60.panewki główne nowe,korbowodowe nowe,pierścienie nowe,głowice po regeneracji.Czy może być zużyta pompa wody lub zawalona brudem chłodnica proszę pomóżcie bo tu już niedługo sianokosy a ciągniki można powiedzieć niesprawny
-
Przez Tadeusz1212
Duzo jest roboty zeby wymienić uszczelka pod głowica w Ursusie C-360 ??? Pobawić sie samu czy lepiej dać do mechanika ??? Musze wymienić bo olejek zaczyna lecieć jeszcze nie wydmuchuje ale czym prędzej tym lepiej.
-
Przez lukano
Witam co moze byc kopcenia na białawo pompa była robiona wtryskiwacze tez silnik włanie sie skonczył docierac wymieniłem filtr powietrza na nowy i niewiedziałem ile wlac oleju czy zbyt wysoki poziom oleju w filtrze moze byc skutkem kopcenia???

Rekomendowane odpowiedzi
Marlo panoramic 34,7
Ursus C-360 3P
Jeśli chcesz dodać odpowiedź, zaloguj się lub zarejestruj nowe konto
Jedynie zarejestrowani użytkownicy mogą komentować zawartość tej strony.
Zarejestruj nowe konto
Załóż nowe konto. To bardzo proste!
Zarejestruj sięZaloguj się
Posiadasz już konto? Zaloguj się poniżej.
Zaloguj się