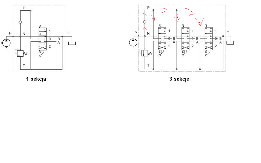
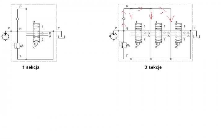
Rozdzielacz nr 1 - MTZ 80
Rozdzielacz nr 1 w docelowym miejscu. Obyło się bez większych przeróbek. Obecnie czekam na kilka nypli i króciec od pompy i będzie można myśleć o zamawianiu do niego węży. Tylko trochę za lekko chodzą te dźwignie teraz, jakiś pomysł?
-
1

Rekomendowane komentarze
Jeśli chcesz dodać odpowiedź, zaloguj się lub zarejestruj nowe konto
Jedynie zarejestrowani użytkownicy mogą komentować zawartość tej strony.
Zarejestruj nowe konto
Załóż nowe konto. To bardzo proste!
Zarejestruj sięZaloguj się
Posiadasz już konto? Zaloguj się poniżej.
Zaloguj się