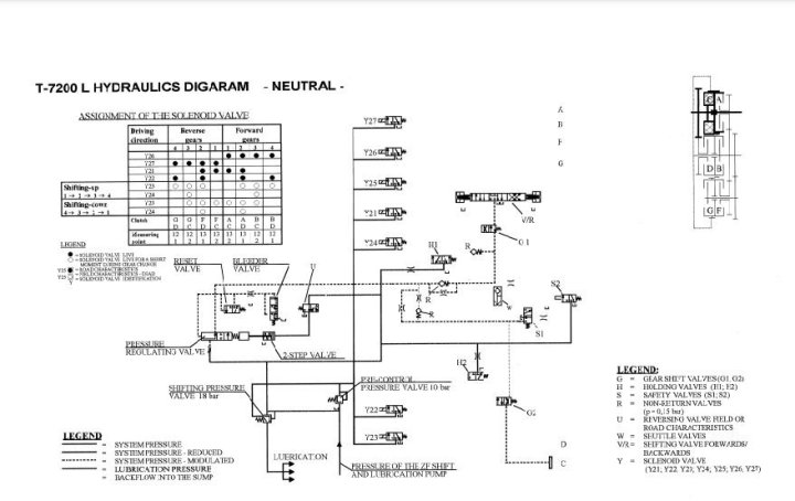
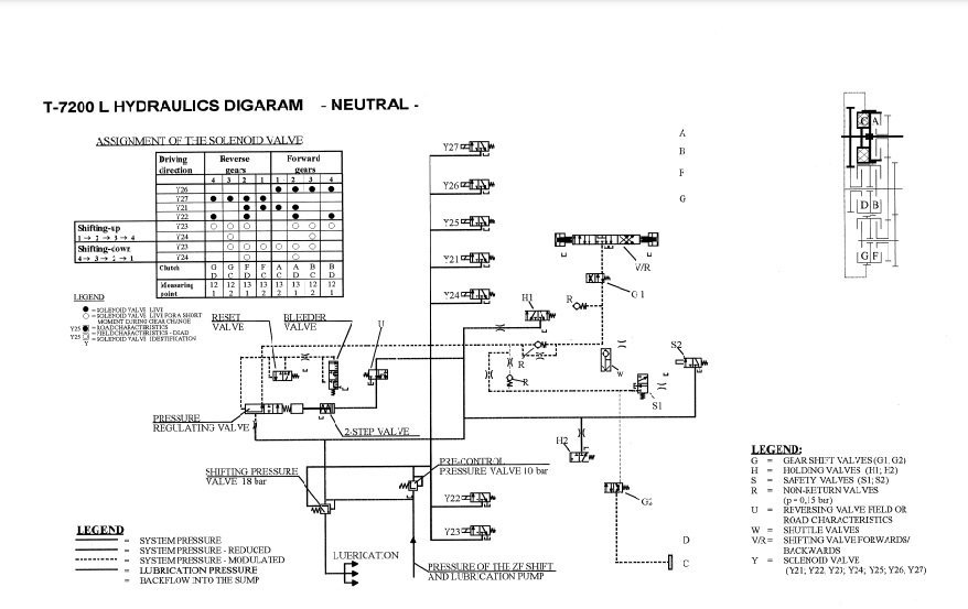
Case cs110 problem z parzystymi półbiegami (2 i 4) - ślizgają się i rozłącza
-
Podobna zawartość
-
Przez roxor
Witam panowie mam do was taka prośbę chce kupić case mx 135 to mój pierwszy case i nie wiem na co trzeba zwrócić uwagę w tym ciągniku jeżeli ktoś wie coś na temat tego ciągnika to proszę o wasze rady dzięki i pzdr.
-
Przez kada2k
Witam, wyświetliło mi się ostrzeżenie w Case Farmall 85C w instrukcji znalazłem że odpowiada to za zbyt niskie ciśnienie w przekładni i układzie kierowniczym. Poziom oleju się zgadza, hydraulika działa jak wcześniej, wspomaganie tak samo, płynność rewersu i półbiegu również. Ktoś miał podobny przypadek lub ma jakiś pomysł co mogło się stać, jutro jeśli będzie dalej to samo dzwonie do serwisu ale z uwagi na godzinę chciałem się tutaj dopytać.
-
Przez masacase
Witam Proszę o radę czy w Case mx gdy wyświetla się błąd od sensora położenia ramienia( miga na przemian 5 i 1) da radę poprowadzić sygnał z tylko tego dobrze dzialacego sensora tj lewego (chyba) i przytym wykasować błąd z wyświetlacza? Z góry dziękuję za pomoc -
Przez siwy10071
Witam. Mam problem z licznikiem prędkości. Pokazuje cały czas 0000 i do tego te zera migają cały czas. Gdzie szukać przyczyny? Czujnik prędkości wymieniony na nowy. Nie mam już pomysłu gdzie szukać dalej przyczyny
-
Przez krzychuvx
Pacjent: Case Maxxum 115 Pro: przy przełączaniu biegów przód Tył wyrzuca na neutral, z komunikatem CP na wyświetlaczu, ze sprzęgłem wciśniętym przerzuca bez błędu. Jaką może być przyczyna? Zaczęło się tak po prostu w trakcie pracy przy entym nawrocie... Może ktoś już coś takiego przerabiał?
-

Rekomendowane odpowiedzi
Case Farmall/ NH T5 zbyt niskie ciśnienie oleju
Case CS 130
Jeśli chcesz dodać odpowiedź, zaloguj się lub zarejestruj nowe konto
Jedynie zarejestrowani użytkownicy mogą komentować zawartość tej strony.
Zarejestruj nowe konto
Załóż nowe konto. To bardzo proste!
Zarejestruj sięZaloguj się
Posiadasz już konto? Zaloguj się poniżej.
Zaloguj się