Case 5140 - Zablokowany rewers
-
Podobna zawartość
-
Przez zipo1
Witam szukam wszelkich informacji na temat case mx 150 maxum,(na co uważać, czego pilnować), kupiłem taki ciągnik, super by było dostać instrukcję obsługi, zgóry dziękuję.
-
Przez kurzyn198
Witam wszystkich
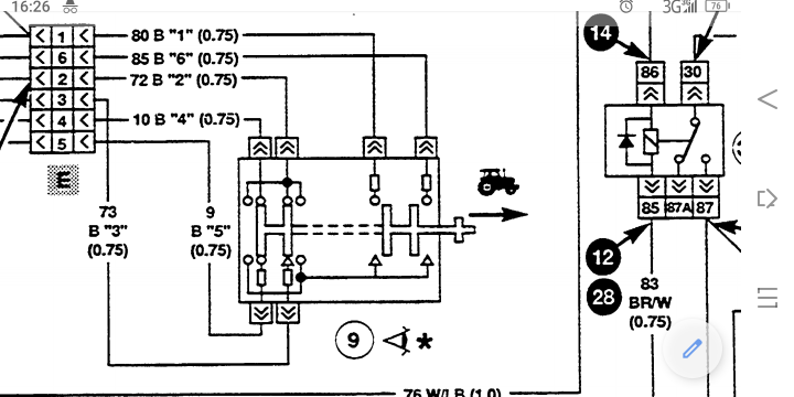
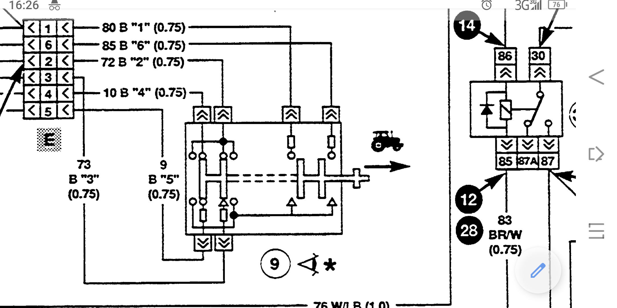
Posiada ktoś z was schemat elektryczny do Case Mx 135. Padły mi kierunkowskazy, bezpiecznik jest ok, przerywacz jest sprawny (podmieniałem ze sprawnego ciągnika), awaryjne działają, a kierunków brak.
-
Przez roxor
Witam panowie mam do was taka prośbę chce kupić case mx 135 to mój pierwszy case i nie wiem na co trzeba zwrócić uwagę w tym ciągniku jeżeli ktoś wie coś na temat tego ciągnika to proszę o wasze rady dzięki i pzdr.
-
Przez jacumi
Witam,
Dziś podczas talerzowania zapaliły się wszystkie kontrolki w moim Case MX100 (2000r).
Ojciec jeździł i powiedział że wszystko się popodświetlało (akumulator, ciśnienia oleju, kontrolka od ręcznego itp itd)
Pierwsza myśl była że mało oleju w silniku, poziom był minimum. Uzupełniono do 2/3 max. I nie pomogło.
Jak wróciłem do domu (traktor stał 2-3 godziny) to sytuacja jest taka sytuacja jak na zdjęciu (traktor zgaszony, czyli ostygł).
Kontrolki już się nie świecą wszystkie tylko te właściwe, traktor zapala (test tylko na chwile).
ktoś przerabiał coś takiego ??
pozdrawiam
Jacek
-
Przez kada2k
Witam, wyświetliło mi się ostrzeżenie w Case Farmall 85C w instrukcji znalazłem że odpowiada to za zbyt niskie ciśnienie w przekładni i układzie kierowniczym. Poziom oleju się zgadza, hydraulika działa jak wcześniej, wspomaganie tak samo, płynność rewersu i półbiegu również. Ktoś miał podobny przypadek lub ma jakiś pomysł co mogło się stać, jutro jeśli będzie dalej to samo dzwonie do serwisu ale z uwagi na godzinę chciałem się tutaj dopytać.
-

Rekomendowane odpowiedzi
Case Maxxum 115 Pro
Case 845xl
Jeśli chcesz dodać odpowiedź, zaloguj się lub zarejestruj nowe konto
Jedynie zarejestrowani użytkownicy mogą komentować zawartość tej strony.
Zarejestruj nowe konto
Załóż nowe konto. To bardzo proste!
Zarejestruj sięZaloguj się
Posiadasz już konto? Zaloguj się poniżej.
Zaloguj się