Dlaczego MF 2620 jest zasilany olejem w tych otworach?
-
Podobna zawartość
-
Przez manik
Witam
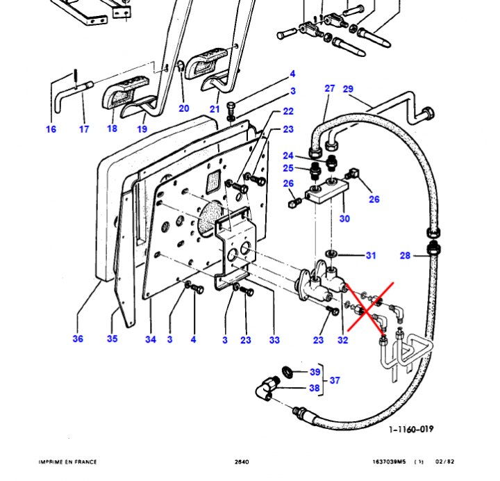
Problem leży w pompie Lucas, wycieka paliwo na zaznaczonym na zdjęciu elemencie.
Jak zniwelować ten wyciek? Czy tą śrubę z talerzem można wykręcić samemu (i jaką spełnia funkcję?) czy niezbędny będzie mechanik/pompiarz? Podejrzewam że jest tam jakiś oring który przepuszcza paliwo?
-
Przez marcin80wlkp
Mam wyciek z pompy paliwowej z elementu zaznaczonego na zdjęciu na żółto. Można tym obracać dookoła i wtedy paliwo wylatuje mniej lub bardziej. Za co jest on odpowiedzialny? Czy dostanę gdzieś coś takiego, nowego? Czy można to ewentualnie wykręcić i zaślepić? Z góry dziękuję za pomoc.
-
Przez xzibit0000
Czesc. Mam problem z wałkiem wom. Podczas jazdy z rozrzutnikiem nagle wałek wom sie zatrzymał i zaczął zgrzytac. Po zdjęciu przekaźnika i wlaczeniu wom walek zaczął sie kręcić i zgrzytal i na ,,oko,, nie kręcił z ta prędkością co powinien kręcić patrząc na obroty silnika. Dzisiaj za każdym włączeniem walka zgrzytal i po wyłączeniu go tez zgrzytal dopiero po chwili przestawał.
Za co sie zabrać? Kosz WOM czy cos innego? Dzięki za podpowiedzi
-
Przez darkowe1
Pany da radę wymienić w rozdzuelaczu od ponosnika suwak na linkę? Teraz jest na panel ehr jednak sa z nim straszne problemy . Ostatnio przestał działać był jakis elektronik stwierdził ze panel jest dobry . Przerobiliśmy podnosnik na krótko nowe kable gura dół i tez się zacina ... chciałem przerobić sterowanie na linkę tylko czy da radę...
-
Przez szymon628
Mam problem ponieważ rozebrałem przedni most w mf 3050 i zauważyłem że jedna półos jest dluzsza od drugiej czy ktoś wie z której strony powinna być
-

Rekomendowane odpowiedzi
Silos lejowy czy płaskodenny? Co wybrać?
MF pomocy
Jeśli chcesz dodać odpowiedź, zaloguj się lub zarejestruj nowe konto
Jedynie zarejestrowani użytkownicy mogą komentować zawartość tej strony.
Zarejestruj nowe konto
Załóż nowe konto. To bardzo proste!
Zarejestruj sięZaloguj się
Posiadasz już konto? Zaloguj się poniżej.
Zaloguj się