-
Podobna zawartość
-
Przez daniel224
witam ciągnik landini 160 legend nie odpala reaguje na kluczyk świecą się kontrolki i lampka od pół biegów mruga wyświetla się błąd AL 071 proszę o pomoc
-
Przez mateusz89aaaa
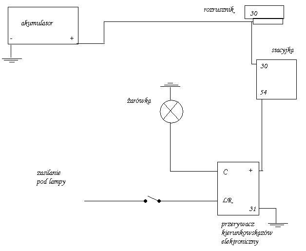
witam pacjent to mf 5435 nie działa ehr i przyciski na błotnikach,nic nie świeci. Dodam że w tym samym czasie obrotomierz przestał działać, być może jest jakaś korelacja. co by to mogło być? -
Przez pawelmlt
Witam szukam posiadacza ładowarki Manitou 737 lub pochodnych wyposażonej w dodatkowe oświetlenie robocze. Ładowarka ma bezpiecznik i wolne miejsce w panelu przycisków oświetlenia dołożyłem orginalny włącznik prąd przychodzi i odchodzi we wiązkę lecz nie mogę znaleźć kostki która za to odpowiada w instalacji ładowarki na zewnątrz. Jest ktoś w stanie podpatrzeć to u siebie ?
-
Przez MarianSR
Dzień dobry wszystkim.
Jestem nowym użytkownikiem, bo szukam odpowiedzi na nurtujące mnie pytanie. Niestety moderatorzy pod żadnym postem nie udostępnili mojego pytania, dlatego tworze nowy temat. Chodzi mi o zwiększenie mocy (chip-tuning). Widzę, że parę osób robiło. Chce się zapytać czy relacje cenowe danej firmy przekładały się do jakości wykonanej usługi. No i oczywiście, jakie firmy polecacie.
Pozdrawiam i z góry dziękuję za każde wpisy. Miłego!
-
Przez elektrycznabajka
Szukam dokumentacji o nazwie TM3265 pras zwijających John Deere , m. innymi 580.
Potrzebuję z tamtąd schemat elektryczny prasy.
Pozdrawiam,Tomasz
-

Rekomendowane odpowiedzi
Światła cofania MF 7724s
Lampy do rozsiewacza
Jeśli chcesz dodać odpowiedź, zaloguj się lub zarejestruj nowe konto
Jedynie zarejestrowani użytkownicy mogą komentować zawartość tej strony.
Zarejestruj nowe konto
Załóż nowe konto. To bardzo proste!
Zarejestruj sięZaloguj się
Posiadasz już konto? Zaloguj się poniżej.
Zaloguj się