Skocz do zawartości

Znajdź zawartość

Wyświetlanie wyników dla tagów 'sadownik' .

  • Wyszukaj za pomocą tagów

    Wpisz tagi, oddzielając je przecinkami.
  • Wyszukaj przy użyciu nazwy użytkownika

Typ zawartości


Forum

Blogi


Szukaj wyników w...

Znajdź wyniki, które zawierają...


Data utworzenia

  • Od tej daty

    Do tej daty


Ostatnia aktualizacja

  • Od tej daty

    Do tej daty


Filtruj po ilości...

Dołączył

  • Od tej daty

    Do tej daty


Grupa podstawowa


ICQ


Yahoo


Jabber


Skype


Lokalizacja


Zainteresowania


Kod pocztowy

Znaleziono 16 wyników

  1. cornic

    t-25 sadowniczy

    Jeszcze jedno ujęcie po dwóch latach użytkowania.
  2. cornic

    T-25

    Nowe oblicze ruska.
  3. PaulaK

    Landini

  4. krs

    Ursus 2802

    Zimowe zabawy z ferdkiem.
  5. krs

    Landini Mistral 55

    Wożenie drzewa wiosną.
  6. Efekt zimy w garażu. Ze względu na ceny porzeczki w ostatnich latach do oddania: https://www.olx.pl/oferta/sprzedam-c-360-3p-s-sadownik-47km-c360-48km-sadowniczy-330-CID757-IDtkrvL.html#e99d833c23;promoted A, plantacja idzie do kasacji. Może za jakiś czas podrzucę filmik.
  7. jaki polecacie używany ciągnik sadowniczy na 7 ha sadu oraz około 3 ha pole orne. traktor był by używany jako główny ciągnik. Współpracował by z opryskiwaczem 1000 litrów docelowo 1500-2000 litrów, rozdrabniacz, beczkowóz 4000 litrów, agregat uprawowy 2,10 m itp.
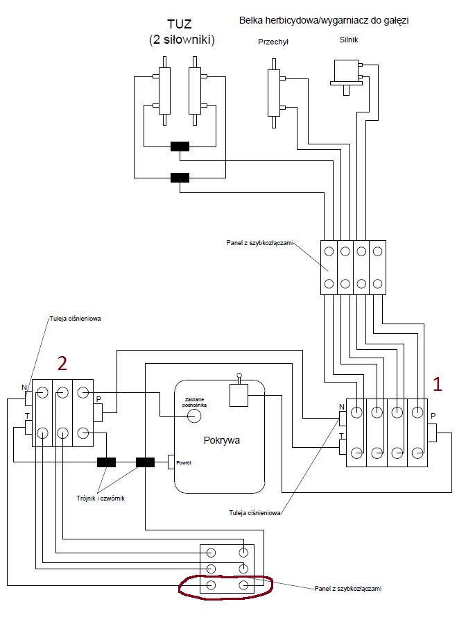
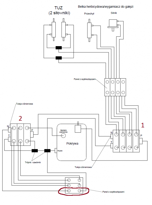
  8. Witam. Wiem, że tematów na temat hydrauliki zewnętrznej w tych ciągnikach jest już wiele ale nigdzie nie mogę doczytać na temat mojego problemu. Występuje tutaj typowy problem z nieszczęsnym zaworem pod siedzeniem (albo podnośnik albo hydraulika). Rozrysowałem sobie schemat podłączenia rozdzielaczy w moim sadowniku. Rozdzielacz oznaczony numerem 1 będzie obsługiwał tylko przód + jedno wyjście wolne na ewentualny świder przenoszony, niezaczepiany. Rozdzielacz numer 2 będzie obsługiwał podnośnik i sekcje tylne. I tu pojawia się mój problem a zarazem pytanie. Jak widać na rysunku zaznaczyłem na czerwono sekcje, która będzie obsługiwała platformę sadowniczą MCMS która posiada własny rozdzielacz do regulacji wysokości. Poprowadziłem zasilanie do tej sekcji z wyjścia N drugiego rozdzielacza, żeby można było samodzielnie podnosić się na platformie. Na ten moment muszę najpierw wcisnąć dźwignię w ciągniku a dopiero później na platformie W momencie kiedy mam kierowce jeszcze można z tym pracować (choć wciąż denerwuje), problem pojawia się natomiast kiedy pracuje sam, gdyż ciężko jest nacisnąć dwie dźwignie jednocześnie I tu pytanie czy takie podłączenie jest poprawne i czy zda egzamin. Proszę o pomoc, każda konstruktywna krytyka mile widziana
  9. Witam drogich użytkowników forum, planuje zakup ciągnika sadowniczego. Ciągnik ma pracować na 4 Ha sadu, z równymi polami, lecz stromymi podjazdami/zjazdami. Najprawdopodobniej kupie Ursusa 5044, jednak proszę was o opinie na temat tego sprzętu. Jeszcze jedno jeśli ktoś z was posiada takowy ciągnik będę wdzięczny za wszelkie informacje. Liczę na odpowiedzi.
×
×
  • Dodaj nową pozycję...
v