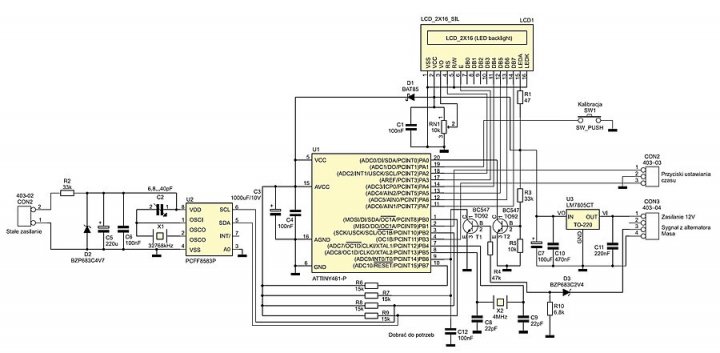
Obrotomierz z zegarow samochodu
-
Podobna zawartość
-
Przez Cineek
Witam Oglądałem dziś MF 6180 w dość przystępnej cenie, ale nie działa w nim obrotomierz (tzn. podczas pracy silnika obrotomierz wskakuje pomiędzy 5 a 10) Mam pytanie czy liczy mth? Właściciel twierdził że w większości nie działa, ale rzekomo liczy mth. Jak to mozna naprawić i czy rzeczywiście liczy moto-godziny? Pozdrawiam
-
Przez lemysz1
Witam. Mam problem, poniewaz od pewnego czasu przestały działać mi halogeny na dachu oraz nie działa obrotomierz(mth liczy normalnie). Bezpieczniki są ok (przynajmniej te które znalazłem, żarówki też ok. Jak włącze światła to normalnie wszystko sie podświetla na tabeli przełączników tam gdzie włącza sie halogeny, ale jak włącze to nie działają. Cóz może być przyczyna? Może ma jeszcze gdzieś schowane bezpieczniki? Pozdrawiam
-
Przez Belaruss820
Witam, mam problem z obrotomierzem w zetorze, wskazówka stoi w miejscu na 700 obrotach i nie kręci mth. Co może być przyczyną? Dodam że przed włączeniem zapłonu wskazówka również stoi w miejscu. Jak kupiłem ciągnik to już tak było. I jeszcze takie pytanie przy okazji, mam zamiar zmienić stare "chlapacze" z tyłu błotników, widziałem że można założyć plastikowe przedłużki tylko pytanie czy od proximy czy forterry? Dziękuję za każdą odpowiedź. Pozdrawiam i życzę szczęśliwego Nowego Roku i udanego Sylwestra.
-
Przez piotrekbial1
witam przerabiał ktoś problem z obrotomierz elektronicznym w 54serii ?
orientuje się ktoś na którym pinie idzie sterowanie z alternatora na obrotomierz i czym jest sterowany ? masa czy może prądowym ?
jeśli ktoś ma dostęp do rozpiski skrzynki bezpiecznikow byłbym wdzięczny
-
Przez zetor88
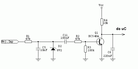
Witam jak w temacie mam problem z obrotomierzem w c85 proszę o pomoc jak on działa tzn. Skąd zczytuje obroty jest jakiś czujnik jeśli tak to gdzie? Czy czyta z alternatora? Pozdrawiam
-

Rekomendowane odpowiedzi
Ursus obrotomierz
Jeśli chcesz dodać odpowiedź, zaloguj się lub zarejestruj nowe konto
Jedynie zarejestrowani użytkownicy mogą komentować zawartość tej strony.
Zarejestruj nowe konto
Załóż nowe konto. To bardzo proste!
Zarejestruj sięZaloguj się
Posiadasz już konto? Zaloguj się poniżej.
Zaloguj się