Skocz do zawartości

dominik18c

Members
  • Postów

    8
  • Dołączył

  • Ostatnia wizyta

Ostatnie wizyty

786 wyświetleń profilu

Osiągnięcia dominik18c

Nowicjusz

Nowicjusz (1/14)

0

Reputacja

  1. Też mam podobny dylemat jak kolega co wybrać. Potrzebuje ciągnik 130km i rozważam kubotę z serii M7 naj mniejszą lub jd 6135M proszę o opinie na temat tych dwóch modeli
  2. Witam, Chciałbym dowiedzieć się od czego zapala mi się ta kontrolka w Mengela sf 7000. Z góry dziękuję za odpowiedź.
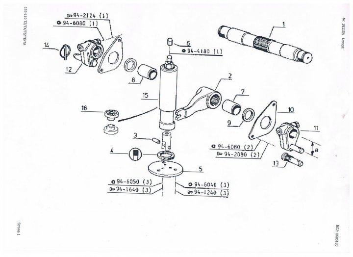
  3. Witam koledzy mam taki mały wyciek w renault 155.54 na mocowaniu belki. wymieniłem uszczelniacz i nie dało to pożądanego efektu wiec pewnie jest podarty wałek albo tulejka z numerem 7 w schemacie którym dołączę. doradźcie jak przeprowadzić tą naprawę
  4. Witam jak spisuję się ferguson 3120 dynashift i jak ta skrzynia
×
×
  • Dodaj nową pozycję...
v