Claas Consul wyciek oleju z wariatora jazdy - proszę o pomoc
-
Podobna zawartość
-
Przez 4pakplus
Witam
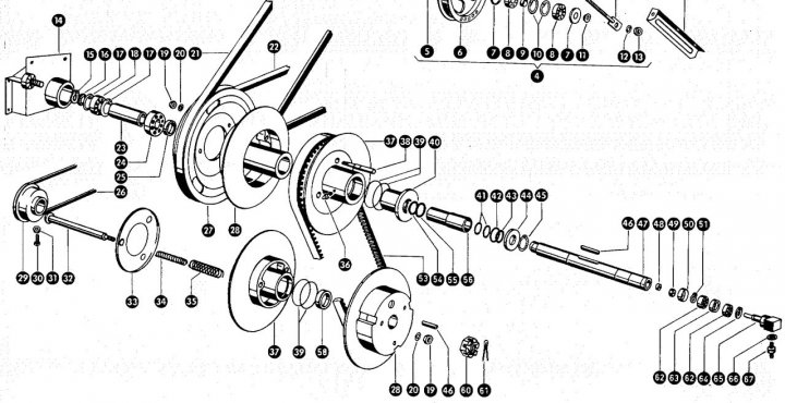
Wiecie może Panowie jaka jest średnica wału jezdnego od tej strony co zakłada się koło jezdne - czapka chińczyka?
to chyba coś takiego:
https://agro-serwis24.pl/pl/p/WAL-GLOWNY-JAZDY-CLAAS-MERCATOR-ZESTAW-LOZYSK-630179/1558
-
Przez Adamek001
Witam serdecznie, mam pytanie czy ktoś może naprawiał blokowanie kolumny kierowniczej w kombajnie claas dominator? W zeszłym tygodniu zakupiłem bardzo dobrze utrzymany egzemplarz, a skoro jest już po sezonie postanowiłem zabrać się za małe remonty. Mam pytanie jak się do tego zabrać, ponieważ nigdy tego nie robiłem i nie wiem czego się spodziewać. Kolumna czy zablokowana czy nie, lata góra dół.
-
Przez janek884
Do sprzedania
Dominator 118 SL maxi 1992r. Heder 6m z 1999r na grubym ślimaku, kosa na śrubki. Silnik V6 mercedes 270 koni. Zadbany, klimatyzacja sprawna. Kamera cofania, poziomowanie hedera w joysticku. Hydrostat. 2 kosy boczne elektryczne. Elektroniczny dokładny pomiar prędkości. Oświetlenie Led 9 szt. Zawsze garażowany. Cena 133 tysiące. Dolnośląskie 57-160. Tel 500132349
-
Przez Pawel1344
Witam, tak jak w temacie mam problem z tym urządzeniem mianowicie nie włącza mi się ta zielona lampka w prawym górnym rogu, która sygnalizuje, że heder jest w pozycji roboczej i powinno rozpocząć się naliczanie hektarów, (na wyświetlaczu też nic się nie pokazuje oprócz 0.00) do tego nie pokazuje też długości przejechanej trasy. Wiecie może gdzie znajduje się czujnik odpowiedzialny za włączanie położenia roboczego w bordinformatorze, a może trzeba szukać gdzie indziej przyczyny. Proszę o pomoc
-

Rekomendowane odpowiedzi
Claas Celtis 456 RX problem z EHR
MF pomocy
Jeśli chcesz dodać odpowiedź, zaloguj się lub zarejestruj nowe konto
Jedynie zarejestrowani użytkownicy mogą komentować zawartość tej strony.
Zarejestruj nowe konto
Załóż nowe konto. To bardzo proste!
Zarejestruj sięZaloguj się
Posiadasz już konto? Zaloguj się poniżej.
Zaloguj się