Skocz do zawartości

trufel11

Members
  • Postów

    228
  • Dołączył

  • Ostatnia wizyta

Treść opublikowana przez trufel11

  1. Witam , udało się rozwiązać problem?
  2. niestety nie , ale się nie poddaje , jak uda się ogarnąć dam znać a u cb kolego w jaki sposób się uszkodził ? coś jest spalone czy jak
  3. niestety nigdzie , płytkę już mam tylko program z niej potrzebny
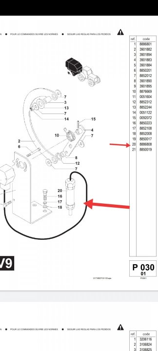
  4. Witam . Szukam użytkowników pras Fendt 2900 / 2600 , gallignani GA v9, v6 , Massey 169 . Uszkodził mi się się przetwornik sygnału który zbiera sygnał z potencjometru wielkości beli . Ta część nie jest już produkowana i nie można jej dostać . Czy ktoś wie gdzie może stoi jakąś na części lub by chciał użyczyć oczywiście odpłatnie żeby zgrać oprogramowanie z tej części. Wrzucam zdjęcia o jaką część chodzi
  5. miałem welgera 520 i przy przebiegu 77000 tys bel została sprzedana
  6. Może okolice Kłodawy /Krosniewic ???
  7. Miałem mengele i claasa , bez wątpienia bierz claasa . NIc nie mam do mengeli ale dostępność części średnia do claasa na pewno szybciej coś zakombinujesz
  8. Koniec prasowania materiału brakło
  9. Przejazd od miedzy był robiony siatka Farmer 126cm z Gene a w środku sa po siatce Covernet
  10. to jest chyba po to jak sterownik padnie do ręcznego załączania siłownika podawania siatki czy tam sznurka
  11. U nas tez ma problem z zaczęciem prasowania w suchym materiale tyle ze jd 580
  12. Dzięki kolego . Powiedz mi jeszcze jedno jak się ustawia zgniot w tym sterowniki wiem gdzie sie wchodzi zmienia ale ale co do czego to nie kumam
  13. Mam problem z takim sterownikiem czasami załączy się normalnie a czasami wyskakuje taki błąd po wciśnięciu klawisza wyskakuje FOUND 4 15 17, a czasami Found Ef i sterownik załącza się dalej ktoś może wie w czym tkwi problem???
  14. Dzieki kolego jak możesz to zapytaj będę wdzieczny
  15. witam muszę zregenerować wałek gumowy który jest w aparacie od siatki . Zna ktoś dobra firmę co się tym zajmuje najlepiej woj łódzkie , a przy okazji orientuje się ktoś ile taka regeneracja może kosztować???
  16. witam. czy miał ktoś do czynienia z ta firma ceny maja atrakcyjne ale czy nie jest to haczyk ? link http://mazurczak.otomoto.pl/
×
×
  • Dodaj nową pozycję...
v