Skocz do zawartości

siemens75

Members
  • Postów

    78
  • Dołączył

  • Ostatnia wizyta

Treść opublikowana przez siemens75

  1. Na schemacie najważniejsza jest stacyjka, aby nie stać z miernikiem i nie zastanawiać się co do czego Reszta to zależy od umiejętności
  2. Praw fizyki nie przeskoczysz i jest tak jak napisałem. Co do akumulatora - faktycznie jak są możliwości najlepiej mieć jak największy i z jak największym EN, ale jak jest go czym naładować- a jak nie to można go tylko uszkodzić i będzie gorszy od tego słabszego. Co do kręcenia - bardzo mulasto teraz kręci, wcześniej tak kręcił tylko gdy na zewnątrz było poniżej 5stopni. Czy tu nie ma nikogo kto ma ciągnik JD? i mógłby coś napisać jak jest?
  3. Kolego mylisz się - im bardziej akumulator niedoładowany tym niższe napięcie, a jeśli niższe napięcie to rekompensata w poborze prądu. Pamiętaj zawsze jak rozładowywuje Ci się jakakolwiek bateria - to spada napięcie, a przepływ prądu rośnie (oczywiście przy takim samym odbiorniku). P=U*I Tego nie zmienisz. Także pytam dalej osoby które posiadają JD nawet od innych modeli z silnikiem 4500cm3 - jakie macie akumulatory i jak Wam zapala traktor, zimą latem?
  4. Ok, dziwi mnie jedna rzecz - zarówno na stronie dealera jak i w necie są informacje że akumulator to 110Ah - dla wszystkich modeli 56,57,58-20. tak czy inaczej według mnie alternator jest średniej wydajności, biorąc pod uwagę pracę zimą i 95A to ma ciężko, w traktorze zwykle świecą się światła, radio i pracuje wentylator od ogrzewania +inne odbiorniki - pozostaje jakieś 50-60A. Pozdrawiam
  5. Dokładnie wymiana paska w JD5620 to bardzo trudna czynność - jak się okazało najłatwiej było założyć pasek na końcu nie na koło napinacza tylko na te od strony ramy(od strony filtra oleju). @wjanusz23 w tym traktorze jest silnik 4.5l i wszystko jest upchane. Oś wiatraka wychodzi z bloku silnika dalej jest koło pasowe, wiskoza i smigło z osłoną nigdzie nie wciśniesz paska, chyba że go przetniesz i zszyjesz nitką
  6. Cześć, Mam teraz w swoim JD akumulator 154Ah; 1150/1200A EN i do tego dosyć mały alternator 95A. Wszystko jest od nowości. Traktor ogólnie zimą ciężko zapala. W ciągniku zamontowana jest oryginalna klima. Jaki macie akumulator w swoich JD i jak jest u nich z rozruchem zima/lato? Pozdrawiam
  7. Właśnie dobrze że jest dosyć świeży, bo jakby był starszy(taki jak Twój) to nie wyobrażam sobie napraw. @marian2011, @zyz1o dzięki za pomoc Jutro wracam także pewnie ogarniemy temat paska. Pozdrawiam
  8. Witam, Posiadam ciągnik JD 5620, muszę wymienić stary pasek klinowy przed chłodnicą - proszę o informację jak się do tego zabrać co należy odkręć aby go zdemontować? Jakieś podpowiedzi może przy montażu? Pozdrawiam, Paweł
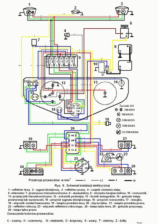
  9. Wrzucam jakby ktoś szukał. Pozdrawiam
  10. Witam, Mam taki problem w John Deere 5620 zaczyna poszarpywać podnoszenie ładowacza. Mam już duży filtr do hydrauliki, podobno jest jeszcze śruba z filtrem, możecie podpowiedzieć gdzie to jest dokładnie? Serwisant z JD powiedział że to jest najprawdopodobniej problemem... Pozdrawiam
×
×
  • Dodaj nową pozycję...
v