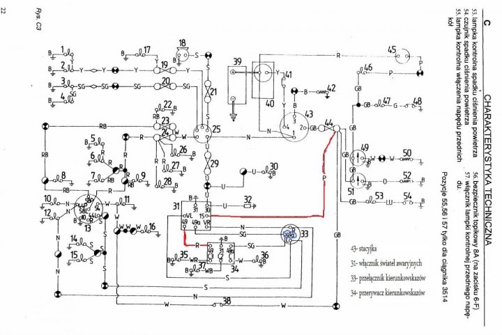
Przerywacz kierunkowskazu mf 255 ursus 3512
-
Podobna zawartość
-
Przez tiger2911
Dzień dobry
Potrzebuje informacji gdzie są bezpieczniki w massey Ferguson 590 z opisem. Problem z prądem brak kontrolek, nie można zapalić akumulator rozładowany
-
Przez karol_365
Witam. Może ktoś podpowie, czy mam słuszne podejrzenie odnośnie wycia w skrzyni i ewentualnie doradzi jak to zlikwidować. Jakieś 2 lata temu zakupiłem MF 698 w tanich pieniądzach z niesprawnym wzmacniaczem momentu ( dźwigienka pod kierownicą, czyli skrzynia na 2 wajchy). Wzmacniacz ogarnąłem. Były pęknięte pierścienie w nim i przy okazji zregenerowałem kosz wzmacniacza. Przed remontem nie było praktycznie ciśnienia na skrzyni z jazdą, więc dla spokojności wstawiłem nową pompę hydrauliczną. Podczas wymiany zauważyłem że na przekładni pompy hydraulicznej na takiej płycie ( dołączam na zdjęciu) jedne koło zębate było luźne( strzałka na zdjęciu) . Niestety zignorowałem to i złożyłem wszystko do kupy. Efekt? Wszystko działa jak żyleta, wzmacniacz ,wom , podnośnik, cisnienia są luks. Jedynie pozostało głośne wycie. Wycie pojawia się tylko i wyłącznie wtedy gdy załączony jest wzmacniacz momentu, tzw. przyspieszacz. I moje pytanie brzmi, czy te wycie może powodować te małe koło zębate, które miało luz , które ja zignorowałem i zostawiłem? Ciągnikiem dużo nie jeżdżę ale jak już coś robię , to mnie szlak trafia , bo wyje to głośniej niż c360 z kosiarką 😅 W wolnej chwili chciałbym to zrobić ale przed tym wolę się upewnić czy dobrze myślę. Pozdrawiam
-
Przez kuna9977
Zastanawiam się nad opryskiwacza wpadł ładny pilmet 1215 używany. Tylko mam górzysty teren i zastanawiam się czy MF 255 z pełnym da radę na 2 biegu. Też mam kilka kawałków w klin jak wygląda sprawa ze zwrotnością? Czy lepiej kupić 800l. Na Zetora 7340. Mf mały zwinny mało pali chodzi również z rozsiewaczem.
-
Przez Mateusz0110
Witam
Niedlugo zaczynam remont mojego MF 255 , może ktoś podpowie jak I czy wg da się przerobić hydraulika w MF 255 żeby hydraulika była niezależna z podnosnikiem, było by to milion razy wygodniejsze.
Dzięki za informacje
Np jakbym zalozyl dwa takie rozdzielczego jeden z lewej strony do hydrauliki a drugi po prawej do podnośnika żeby nietrzebabylo przekręcać tej dźwigni pod siedzeniem jets to uciążliwe przy rozsiewaczu do nawozu gdzie jest otwierany hydraulicznie
-
Przez Clark
Witam. Jestem na etapie wymiany instalacji w MF255. Poza kontrolkami od kierunków wszytko niby działa ale jest jeden podstawowy problem- brak ładowania. Jeśli wzbudzę alternator to wszystko hula jak złoto. Teraz pytanie w jaki sposób w oryginalnej instalacji poprowadzone jest wzbudzenie. Instalacja którą kupiłem ma tylko dwa przewodu. Jeden główny i drugi od kontrolki. Ten od kontrolki nie podaje plusa więc wzbudzenia nie ma. Jeśli podam plus wszystko działa. Co najważniejsze- nowa instalacja jest zrobiona na wzór oryginału a ja mam alternator przerzucony na drugą stronę i jest to on od samochodu. Nie wiem jak w oryginalnym było rozwiązane wzbudzenie. Poprzednio alternator zakładał mi elektryk ale zrobił to metodą gospodarczą i po linii najmniejszego oporu (sama kontrolka od początku nie działała). W necie znalazłem informację, że przez przewód kontrolki chwilowo powinien być podawany plus ale tak się nie dzieje. Czy w oryginale jest jakiś dodatkowy przewód?
-

Rekomendowane odpowiedzi
Malowanie ursus 1201
Ursus C-355
Jeśli chcesz dodać odpowiedź, zaloguj się lub zarejestruj nowe konto
Jedynie zarejestrowani użytkownicy mogą komentować zawartość tej strony.
Zarejestruj nowe konto
Załóż nowe konto. To bardzo proste!
Zarejestruj sięZaloguj się
Posiadasz już konto? Zaloguj się poniżej.
Zaloguj się