Kacper257
Members-
Postów
22 -
Dołączył
-
Ostatnia wizyta
Treść opublikowana przez Kacper257
-
Witam Kupiłem ostatnio prasę claas variant350 lecz ma przekładnie 1000wom Czy ciągnik mf 6245 91km da radę nią prasować?
-
MF nierówna praca silnika
Kacper257 opublikował(a) temat w Massey Ferguson Seria 42XX-43XX-62XX-82XX oraz x4xx
Witam MF 6245 ciągnik nie zawsze pracuje równo na niskich obrotach i po dodaniu gazu nie chce się wkręcić. Co może mu dolegać ? Z góry dziękuje za odpowiedz -
Witam Jaki oprysk jest najlepszy na pszenice ozimą.
-
Massey ferguson 6245
Kacper257 opublikował(a) temat w Massey Ferguson Seria 42XX-43XX-62XX-82XX oraz x4xx
Witam Mam problem polegający na tym ze wyskakuje mi taka kontrolka podczas zmiany biegów lub zmiany kierunku jazdy i ciągnik nie jedzie co może ona znaczyć ? -
Witam Jaki olej hydrauliczny wlać do New Hollanda 8030 ISO VG 46 czy 68 ? Z góry dziękuje za odpowiedź
-
Gdy ciągnik się rozgrzeje słychać rzężenie w hydraulice i tur zaczyna wolniej chodzić czy może to być wina pompy? Zamontowana była jakaś tańsza. Z góry dziękuje za odpowiedz
-
Witam czy owijał ktoś folią firmy SILGROS-AGRO
-
Witam Czy słoma z prosa była by dobra na pasze dla bydła? Czy można było by ją sprasować i owinąć folią?
-
Dziękuję wszystkim za odpowiedz
-
Witam mam pytanie czy 1 dzień przerwy w robieniu kiszonki z kukurydzy jej zaszkodzi ?
-
Witam Dlaczego po przepracowaniu ok pół godziny silnik w kombajnie się zapowietrza ?
-
Brona aktywna moreni
Kacper257 odpowiedział(a) na Kacper257 temat w Narzędzia do uprawy przedsiewnej
Chodzi mi co to jest za marka i jak z częściami do niej bo zamierzam kupić taka tamto zdjęcie tylko było dla uwagi -
Witam czy jest ktoś posiadaczem tej borny ? Chodzi mi ogólnie o markę i jak ta brona się spisuje.
-
Jeśli nie używam wałka w jakiej pozycji powinna być dźwignia włączania i wyłączania wałka.
-
Massey Ferguson 6245 Problem
Kacper257 opublikował(a) temat w Massey Ferguson Seria 42XX-43XX-62XX-82XX oraz x4xx
Witam Dlaczego podczas orki czasami nie utrzy muje mi poziomu tylko się rozłącza i świeci się kontrolka ten trójkąt z wykrzyknikiem.- 4 odpowiedzi
-
- 6245
- Massey Ferguson
-
(i 1 więcej)
Oznaczone tagami:
-
Witam jestem posiadaczem MF 6245 mam oto taki problem : przycisk podnośnika w dół na błotniku raz działa a raz nie kable są całę nie przerwane jaka może być tego przyczyna ? Z góry dziękuje za odpowiedz
- 2 odpowiedzi
-
- 6245
- Massey Ferguson
-
(i 1 więcej)
Oznaczone tagami:
-
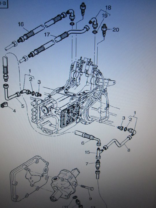
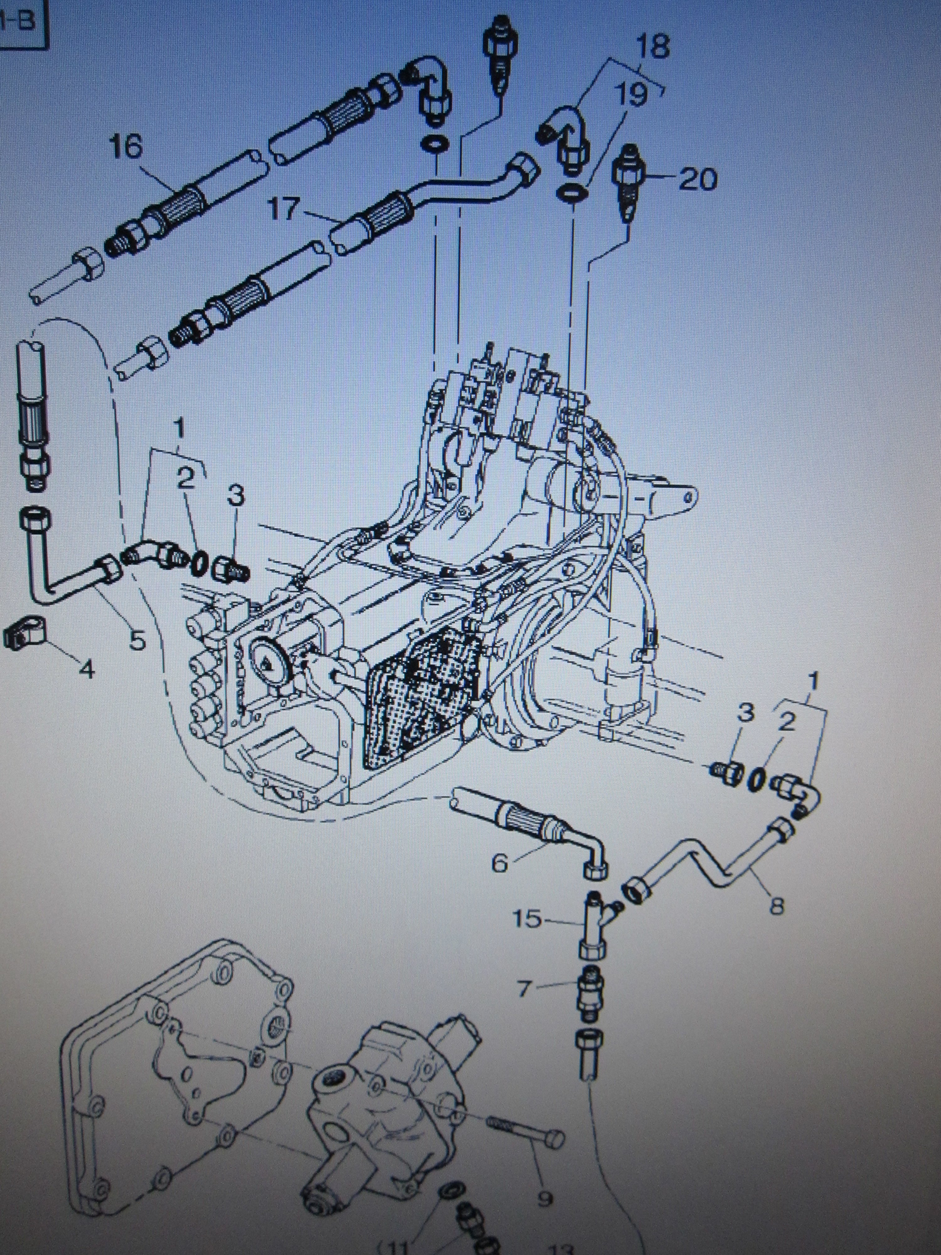
MF 6245 części do hydrauliki
Kacper257 odpowiedział(a) na jk33 temat w Massey Ferguson Seria 42XX-43XX-62XX-82XX oraz x4xx
-
rewers bez sprzengła Rewers bez sprzęgła w power control
Kacper257 odpowiedział(a) na Kacper257 temat w Massey Ferguson Seria 42XX-43XX-62XX-82XX oraz x4xx
ok dziękuje -
Rewers bez sprzęgła w power control
Kacper257 opublikował(a) temat w Massey Ferguson Seria 42XX-43XX-62XX-82XX oraz x4xx
Witam jestem posiadaczem ciągnika massey ferguson 6245 ze skrzynią power control. Chciał bym się dowiedzieć czy w tej skrzyni można przełączyć rewers bez sprzęgła
